|
|
Microfiche VN1500 C3
 air_cleaner
|
 battery_case
|
 brake_pedal
|
 cables
|
 camshaft
|
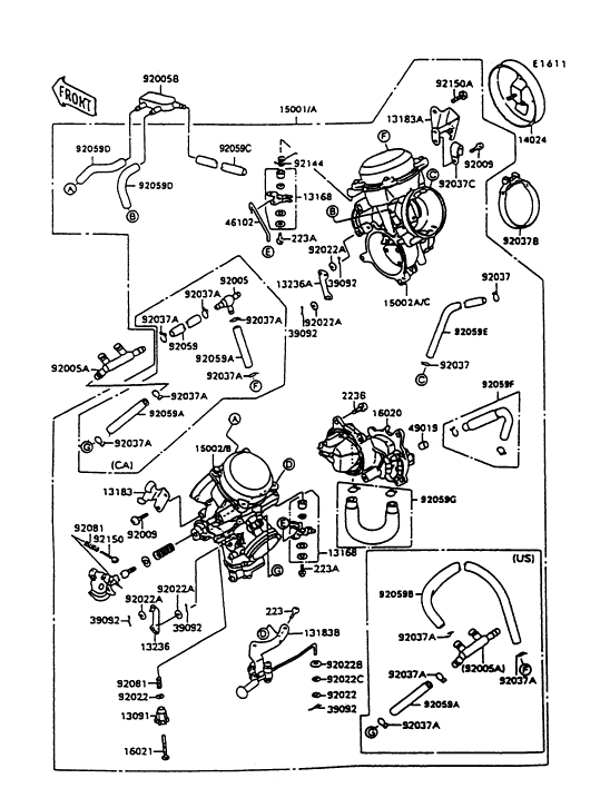
 carburetor
|
 carburetor_parts
|
 clutch
|
 clutch_master_cylinder
|
 crankcase
|
 crankshaft
|
 cylinder_head
|
 cylinder_head_cover
|
 cylinder_pistons
|
 decals
|
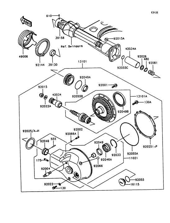
 drive_shaft
|
 electrical_equipment
|
 engine_covers
|
 fenders
|
 footrests
|
 frame
|
 frame_fittings
|
 front_bevel_gear
|
 front_brake
|
 front_fork
|
 front_master_cylinder
|
 front_wheel
|
 fuel_evaporative_system
|
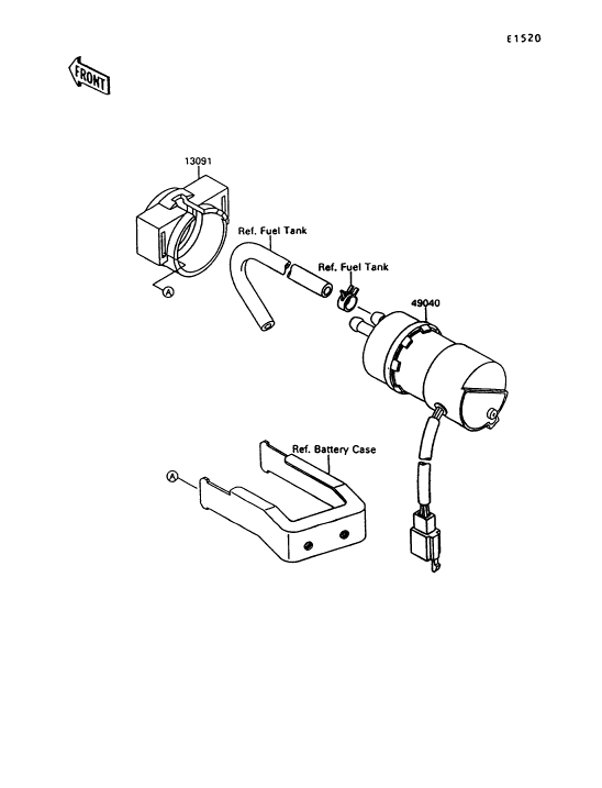
 fuel_pump
|
 fuel_tank
|
 gear_change_drum
|
 gear_change_mechanism
|
 generator
|
 handlebar
|
 headlight
|
 ignition_switch
|
 ignition_system
|
 labels
|
 meters
|
 mufflers
|
 oil_pump
|
 owners_tools
|
 radiator
|
 rear_brake
|
 rear_master_cylinder
|
 rear_wheel
|
 seat
|
 side_covers
|
 stand
|
 starter_motor
|
 suspension_shock_absorber
|
 swingarm
|
 taillights
|
 transmission
|
 turn_signals
|
 valves
|
 water_pump
|
|
|
|
|
|
|